{{alert.message}}

afstandschroef verzinkt fischer

ASL 4.5X 80MM T25

Artikelnummer: 00791140
EAN: 4006209590522

3-7 werkdagen
  • Lengte 80mm
  • Voorboren 6mm
  • Torx 25
100 stuks
151,33
Korting: 15 %

128,63

incl. btw 155,64

Productomschrijving

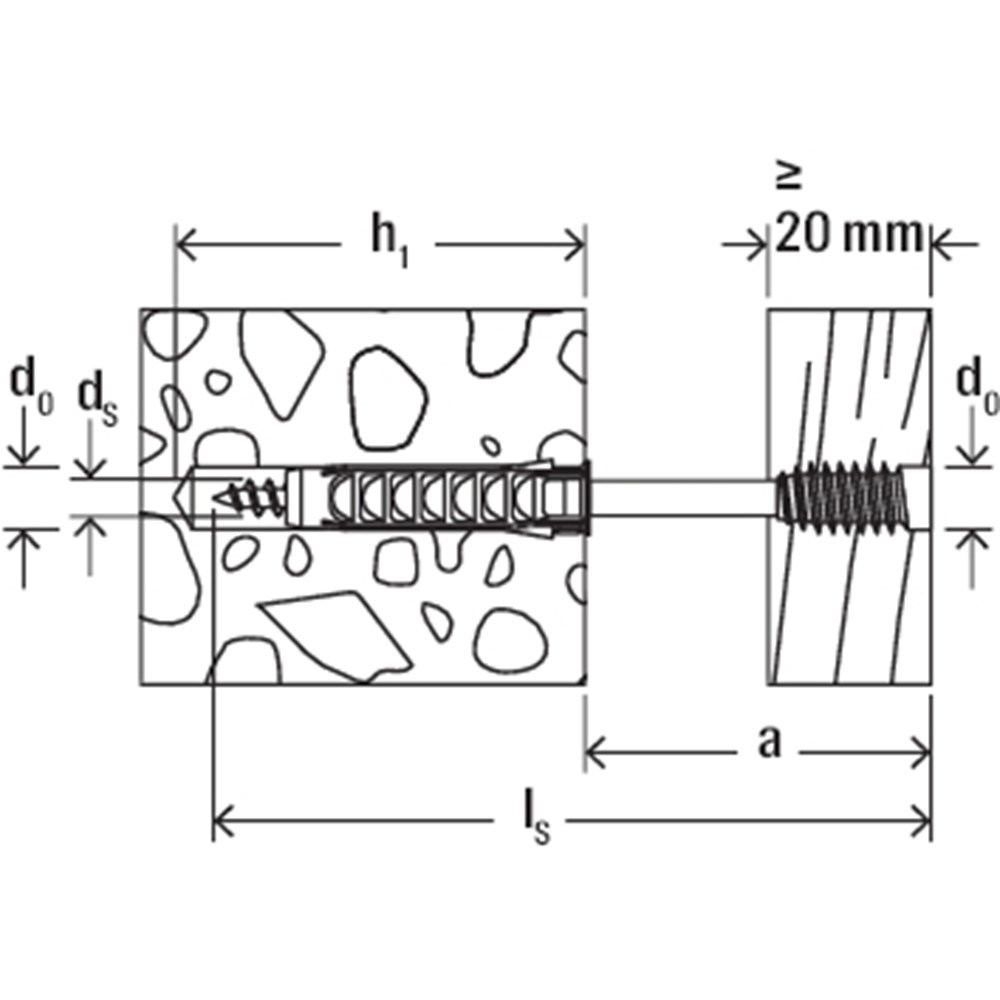
De fischer Afstandsschroef ASL is een speciale schroef van gegalvaniseerd staal met twee, in de spoed op elkaar afgestemde schroefdraden, voor een nauwkeurige en tijdbesparende afstandsmontage. De speciale schroef wordt in de doorsteekmontage aangebracht. Bij het indraaien van de schroef graaft de buitenste schroefdraad zich in het voorgeboorde montagestuk en zet deze vast. Als de schroef schuin onder een hoek van 15 - 30° wordt aangebracht, kunnen hogere dwarsbelastingen worden opgenomen. De fischer Afstandsschroef ASL is ideaal om raam- en deurkozijnen, bekledingen en onderconstructies van hout zonder pluggen in hout- en houtmaterialen te bevestigen.

Technische gegevens

Diameter4,5 mm
Lengte80 mm
OpnameTX25
Boordiameter6 mm
Max. afstand45 mm
Min. boorgatdiepte40 mm
Afmeting schroef4,5 x 80 mm

Gerelateerde producten