{{alert.message}}

deurslot insteek loop nemef

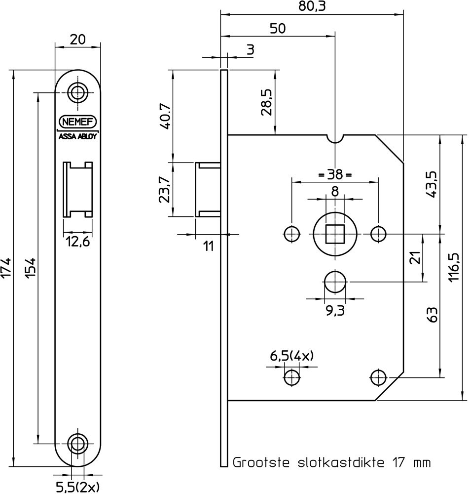
1255/2 LOOP DIN RS

Artikelnummer: 00320600
EAN: 8713515011943

Direct leverbaar
563 stuks in vestiging Centraal magazijn
  • Blind
  • Doornm. 50mm
  • Gelakte voorplaat
icon

13,08
Korting: 12 %

11,51

incl. btw 13,93

Productomschrijving

Het Nemef 1255/2 DIN RS deurslot is een slot speciaal voor binnendeuren die niet op slot hoeven, zoals bijvoorbeeld een gangdeur. Dit deurslot past altijd en vervangt in veel gevallen eenvoudig het bestaande slot, waardoor er geen schade aan de deur ontstaat.

Kenmerken
  • Eenvoudig omlegbare dagschoot
  • Messing dagschoot
  • Afgeronde voorplaat
  • Sluitplaat P 1255 standaard bijgeleverd


Klik hier voor de omleginstructie

Specificaties
  • Door universele maatvoering vervangt dit slot eenvoudig het bestaande slot.
  • Dit slot kan op een naar binnen- of naar buitendraaiende deur zowel links als rechts geplaatst worden.

Inclusief sluitplaat

Technische gegevens

doornmaat50 mm
draairichtingDIN links en DIN rechts
draairichtingDIN rechts
lengte (voorplaat)174 mm
breedte (voorplaat)20 mm
dikte (stift)8 mm
model (voorplaat)ronde hoek(en)
model (slot/vergrendeling)insteekslot (loopslot)
bewerking (oppervlaktebehandeling)verzinkt
materiaalstaal
materiaal (dagschoot)messing
materiaal (voorplaat)staal (gelakt)

Gerelateerde producten