{{alert.message}}

deurslot insteek v&b nemef

1444 WC55/8MM DIN LS/RS

Artikelnummer: 00320685
EAN: 8713515013688

Direct leverbaar
9 stuks in vestiging Centraal magazijn
  • WC 55
  • Doornm. 55mm
  • Gelakte voorplaat
icon icon

33,19
Korting: 12 %

29,21

incl. btw 35,34

Productomschrijving

Met gelakte voorplaat
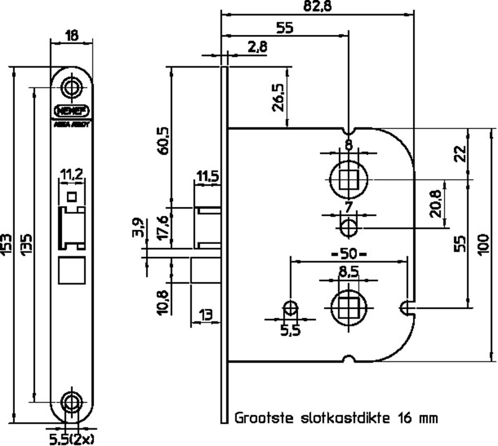
Klein insteek WC-badkamerslot, geschikt voor binnendeuren in de woningbouw. Eén toers zamac nachtschoot, 13 mm uitslag, zamac dagschoot omlegbaar (links en rechts bruikbaar), krukgat 8 mm, kruk-/krukgat h.o.h. 55 mm, smalle afgeronde gelakte stalen voorplaat van 153x18x2,75 mm, met dichte verzinkte kast van 100x83x16 mm, doornmaat 55 mm, zamac tuimelaar.

Klik hier voor de omleginstructie

Inclusief verzinkte sluitplaat.

Technische gegevens

draairichtingrechts

Gerelateerde producten