{{alert.message}}

hollewandplug metaal fischer

HM M5X37MM S

Artikelnummer: 00372208
EAN: 4048962164855

Direct leverbaar
300 stuks in vestiging Centraal magazijn
  • Diameter M5
  • Plaatdikte 6-15mm
  • Metaal
100 Stuks
43,80
Korting: 20 %

35,04

incl. btw 42,40

Productomschrijving

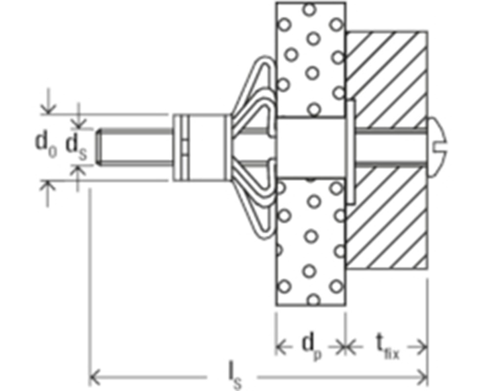
De fischer Metalen hollewandplug HM-S is een veelzijdige hollewandplug met metrische bout voor alle plaatmateriaal. De plug wordt met de fischer Hollewandplug tang HM-Z 1 in de voorsteekmontage geplaatst. Met de tang wordt de plug in de holle ruimte achter het plaatmateriaal getrokken. De armen spreiden zich daarbij uit achter het plaatmateriaal en verdelen de krachten over een groot oppervlak. Als alternatief is de montage ook met behulp van een schroevendraaier of een accu-schroefboormachine mogelijk. De fischer Metalen hollewandplug HM-S is geschikt voor de bevestiging van verlichting, handdoekenrekken en gordijnrails in de interieurbouw.

Voordelen
  • Door het uitgebreide assortiment, is de HM geschikt voor plaatmateriaal met een dikte van 3-50 mm waardoor het voor tal van toepassingen gebruikt kan worden
  • Het aanbouwdeel kan door het metrische binnendraad meerdere malen worden gemonteerd en gedemonteerd. Hierdoor is de HM zeer flexibel
  • De spreidende armen van de HM zorgen voor een groot contactoppervlak waardoor hoge belastingen mogelijk zijn
  • De weerhaken onder de kraag van de plug penetreren het plaatmateriaal waardoor het meedraaien van de plug in het boorgat wordt voorkomen en een veilige montage gegarandeerd is

Technische gegevens

pluglengte37mm
metrische boutM 5

Gerelateerde producten