{{alert.message}}

magneetslot insteek toilet nemef

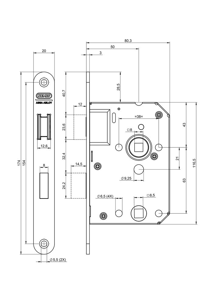
1264/73 WC63/8MM DIN LS/RS

Artikelnummer: 00320962
EAN: 8713515338262

Direct leverbaar
28 stuks in vestiging Centraal magazijn
  • WC 63/8
  • Doornmaat 50mm
  • Zwarte voorplaat
icon icon

27,92
Korting: 12 %

24,57

incl. btw 29,73

Productomschrijving

Geschikt voor toilet- en badkamerdeuren in de woningbouw. Slot met dag & nachtschoot. Standaard slotkast met afgeronde voorplaat en magneet dagschoot. Dagschoot zit standaard in ingetrokken toestand en komt pas uit het slot als de deur sluit in het kozijn. Bij geopende deur steekt de dagschoot dus niet uit en kan je er niet achter blijven haken.

Specificaties

  • Magneet dagschoot van zwart kunststof.
  • Sluiten zonder weerstand.
  • Geen zichtbare sluitplaat of beschadiging op het kozijn.
  • Voor rechts en links draaiende deuren, omleggen van de dagschoot is niet nodig.
  • Rvs of staal zwart gelakte afgeronde voorplaat
  • Zwart vernikkelde messing nachtschoot
  • Staal verzinkte slotkast.
  • Bewezen 1200 serie kwaliteits-constructie voor lange probleemloze werking.
  • Bulk verpakking per 10 of per 50 stuks.
  • Bijpassende sluitkom SK1269

Technische gegevens

Model voorplaatafgerond
Afmetingen voorplaat20 x 174 mm
Materiaal voorplaatstaal zwart gelakt
Afstand63 mm
Doornmaat50 mm
Draairichting1/2/3/4
Krukgat8 mm
Cilinderuitsparing17 mm
Materiaal dagschootKunststof magneet
Materiaal nachtschootzwart vernikkeld messing
Finish slotkastverzinkt
Mat. slotkaststaal

Gerelateerde producten