{{alert.message}}

meubelscharnier blum

71T3550 110°

Artikelnummer: 00936328
EAN: 0049505351689

Direct leverbaar
17 stuks in vestiging Centraal magazijn
  • Opliggend
  • Zonder demping
  • Zonder kruisplaat

3,67
Korting: 10 %

3,30

incl. btw 3,99

Productomschrijving

Potscharnier, Blum Clip Top 110°, zijwandmontage, met zelfsluitmechanisme.
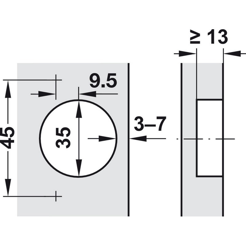
Voor houten deuren, potbevestiging: om te schroeven, model: 71T3550, boorbeeld: 45/9,5 mm.

Technische gegevens

Toepassingvoor standaardtoepassingen
Potscharnier-uitvoeringzijwandmontage
Soort bochtrecht
Voor deurmateriaalhout
Deurbewerking voor montagemet potboorgat
Materiaalstaal
Kleur/oppervlakvernikkeld
Openingshoek110°
Pot boordiepte13,00 mm
Pot boordiameter35,00 mm
Boorbeeld45/9,5
InstelmogelijkheidInstelling zijkant ±2 mm, Instelling hoogte ±3 mm, Instelling diepte -2 – 3 mm, Hoogteverstelling afhankelijk van montageplaat
MontageDeur op corpus gereedschapsloos met cliptechniek

Gerelateerde producten